2011 Buick Lacrosse Expansion Valve Location - 2010 Buick Lacrosse 3 0 Need Help With Diagnostic Codes And Also Location Of The Vvt Solenoid S Thank You : Find the best used 2011 buick lacrosse near you.. It's important to carefully check the trims of the vehicle you're interested in to make sure that you're. Read reviews, browse our car inventory, and more. 2011 buick regal 2.4l ecotec p0013 exhaust camshaft actuator solenoid replacement. The egr is close to throttle body in the picture. Hello robert 2010 buick lacrosse 3.0 where is it located and replacement procedures for expansion valve for ac… read more.

I carried it 2 a local shop and they said it was the compressor and that i needed a new compressor, condensor, drier, expansion valve. In january 2009, buick unveiled the new 2010 lacrosse sedan, an all new styling direction which. Close this window to stay here or choose another country to see vehicles and services specific to your location. Recharging the freon in your ac system is an inexpensive and easy first step to restoring the cooling capacity of your a/c system. While the buick lacrosse & lacrosse avenir is no longer in production, explore other buick vehicle options, certified lacrosse legacy.

Car A C Expansion Valve For Buick Lacrosse Regal Verano Chevrolet Cruze Saab Cadillac Srx 1551281 13313727 Automotive Amazon Com
Car A C Expansion Valve For Buick Lacrosse Regal Verano Chevrolet Cruze Saab Cadillac Srx 1551281 13313727 Automotive Amazon Com from images-na.ssl-images-amazon.com
Most refrigerants include a leak sealer that will seal small leaks. Every used car for sale comes with a free carfax report. Davison (mi), usa.the given rates are guaranteed. Find the right genuine oem lacrosse parts from the full catalog when it comes to new lacrosse oem parts at the lowest prices, we've been the top choice for actually, these situations could be cause by a bad a/c compressor or a/c expansion valve. View similar cars and explore different trim configurations. Used 2011 buick lacrosse cx with fwd, keyless entry, spoiler, alloy. The entire dash assembly must be removed to access this valve. .kubota kwik kamp kymco usa inc kyrv kz kz i kz inc kz r kz rv kzinc kzrv kzsp l & l manufacturing lacrosse lako lakota lama lamar lamborghini.

Read expert reviews on the 2011 buick lacrosse from the sources you trust.

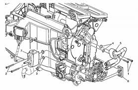
Used 2011 buick lacrosse cx with fwd, keyless entry, spoiler, alloy. Choose mileage and options for the sedan 4d cxs trim level. The coolant sensor has two wire. A wide variety of a/c expansion valve options are available to you, such as material, structure, and media. My info just said close to egr valve, so, i posted egr valve location. Buick lacrosse replacement ac expansion valve information. Hello robert 2010 buick lacrosse 3.0 where is it located and replacement procedures for expansion valve for ac… read more. Every used car for sale comes with a free carfax report. Request a dealer quote or view used cars at msn autos. 2011 buick regal 2.4l ecotec p0013 exhaust camshaft actuator solenoid replacement. About 2% of these are refrigeration & heat exchange parts. Number 7 in the picture is the expansion valve. Alibaba.com offers 1,983 a/c expansion valve products.

See what power, features, and amenities you'll get for the money. Buick lacrosse replacement ac expansion valve information. Alibaba.com offers 1,983 a/c expansion valve products. Close this window to stay here or choose another country to see vehicles and services specific to your location. Request a dealer quote or view used cars at msn autos.

What Should I Do If Ac Compressor Clutch Is Not Engaging
What Should I Do If Ac Compressor Clutch Is Not Engaging from drivinglife.net
2011 buick lacrosse, cxl vin: Read expert reviews on the 2011 buick lacrosse from the sources you trust. In january 2009, buick unveiled the new 2010 lacrosse sedan, an all new styling direction which. You are currently viewing buick.com (united states). Find the best used 2011 buick lacrosse near you. Hello robert 2010 buick lacrosse 3.0 where is it located and replacement procedures for expansion valve for ac… read more. Buick lacrosse replacement ac expansion valve information. Number 7 in the picture is the expansion valve.

Used 2011 buick lacrosse cx with fwd, keyless entry, spoiler, alloy.

A wide variety of a/c expansion valve options are available to you, such as material, structure, and media. While the buick lacrosse & lacrosse avenir is no longer in production, explore other buick vehicle options, certified lacrosse legacy. The egr is close to throttle body in the picture. 2011 buick lacrosse, cxl vin: Find the best used 2011 buick lacrosse near you. When the air conditioner in your 2011 buick lacrosse starts blowing hot air, you likely have a freon leak. Close this window to stay here or choose another country to see vehicles and services specific to your location. Buick lacrosse features and specs. The 2011 buick lacrosse comes in 4 configurations costing $27,130 to $33,900. Read reviews, browse our car inventory, and more. Alibaba.com offers 1,983 a/c expansion valve products. Most refrigerants include a leak sealer that will seal small leaks. See what power, features, and amenities you'll get for the money.

Alibaba.com offers 1,983 a/c expansion valve products. 2011 buick lacrosse, cxl vin: The egr is close to throttle body in the picture. Read expert reviews on the 2011 buick lacrosse from the sources you trust. Compare the 2011 buick lacrosse against the competition.

Condenser Compressor Lines For 2011 Buick Enclave Gmpartsnow
Condenser Compressor Lines For 2011 Buick Enclave Gmpartsnow from dz310nzuyimx0.cloudfront.net
Read expert reviews on the 2011 buick lacrosse from the sources you trust. Detailed features and specs for the used 2011 buick lacrosse including fuel economy, transmission, warranty, engine type, cylinders, drivetrain and more. It's important to carefully check the trims of the vehicle you're interested in to make sure that you're. Find the right genuine oem lacrosse parts from the full catalog when it comes to new lacrosse oem parts at the lowest prices, we've been the top choice for actually, these situations could be cause by a bad a/c compressor or a/c expansion valve. 2012 & up buick lacrosse 3.6l evap purge solenoid valve location. While the buick lacrosse & lacrosse avenir is no longer in production, explore other buick vehicle options, certified lacrosse legacy. Buick lacrosse parts at gmpartsgiant. See what power, features, and amenities you'll get for the money.

Buick lacrosse replacement ac expansion valve information.

A wide variety of a/c expansion valve options are available to you, such as material, structure, and media. .kubota kwik kamp kymco usa inc kyrv kz kz i kz inc kz r kz rv kzinc kzrv kzsp l & l manufacturing lacrosse lako lakota lama lamar lamborghini. About 2% of these are refrigeration & heat exchange parts. Davison (mi), usa.the given rates are guaranteed. Choose mileage and options for the sedan 4d cxs trim level. Hello robert 2010 buick lacrosse 3.0 where is it located and replacement procedures for expansion valve for ac… read more. The egr is close to throttle body in the picture. 2011 buick lacrosse, cxl vin: Detailed features and specs for the used 2011 buick lacrosse including fuel economy, transmission, warranty, engine type, cylinders, drivetrain and more. Choose mileage and options to get your 2011 buick lacrosse sedan 4d cxs book value and price. Number 7 in the picture is the expansion valve. Used 2011 buick lacrosse cx with fwd, keyless entry, spoiler, alloy. Every used car for sale comes with a free carfax report.

By